
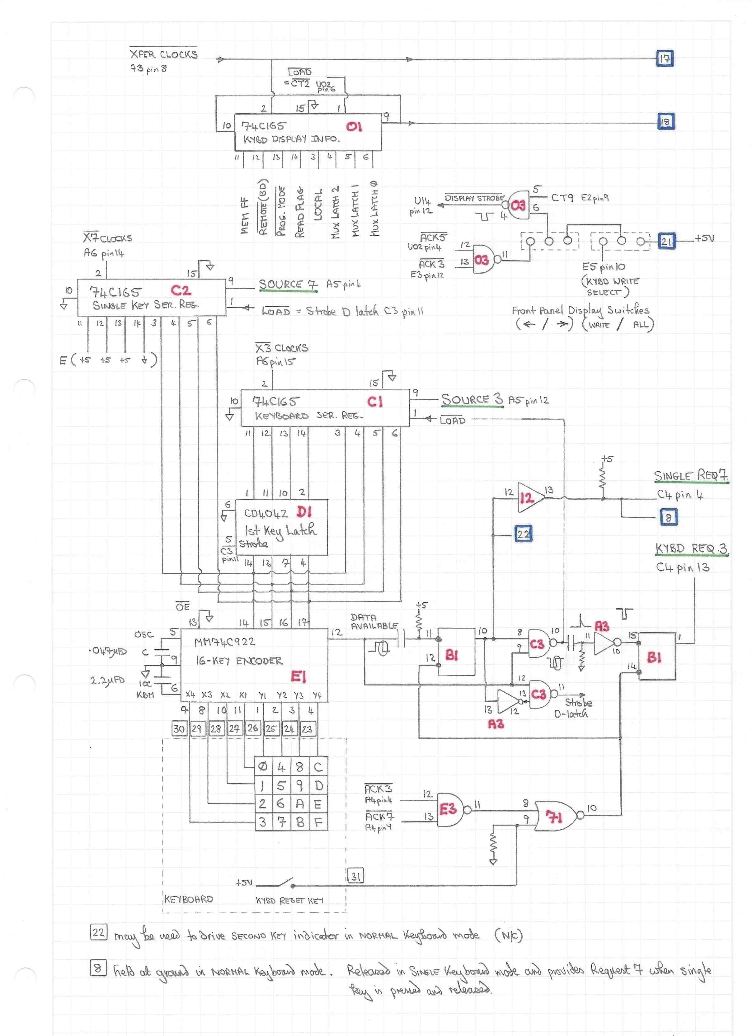
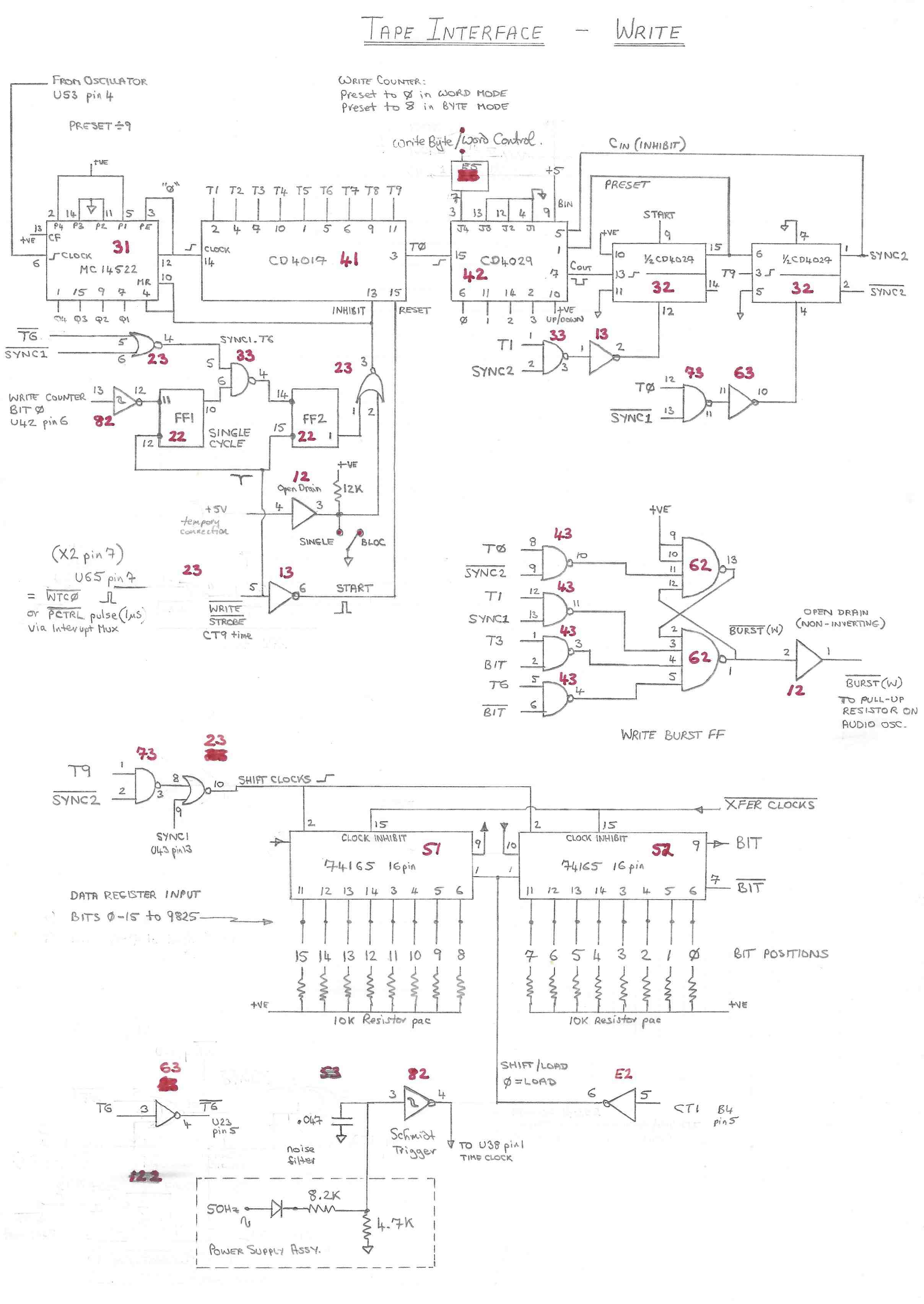
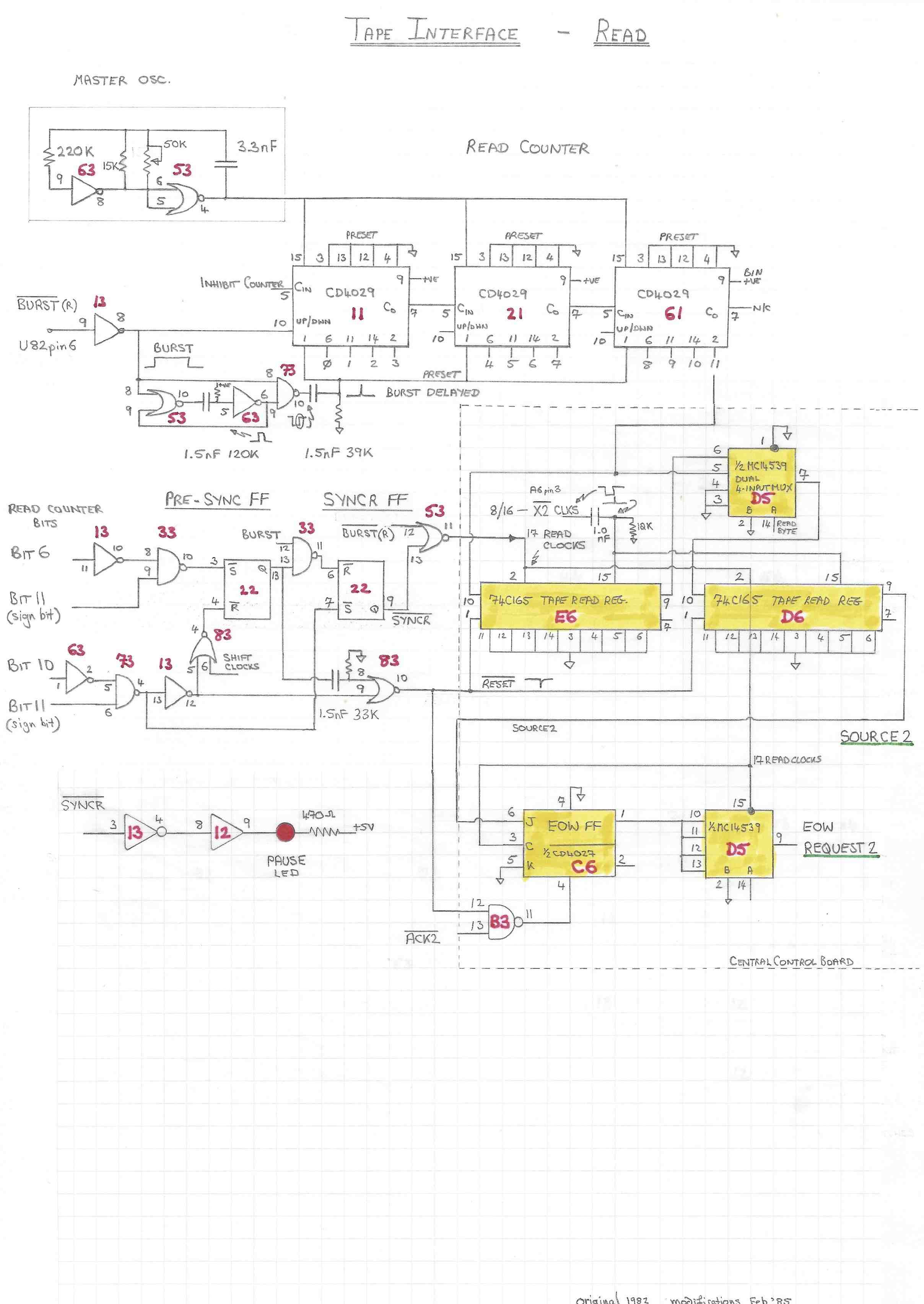
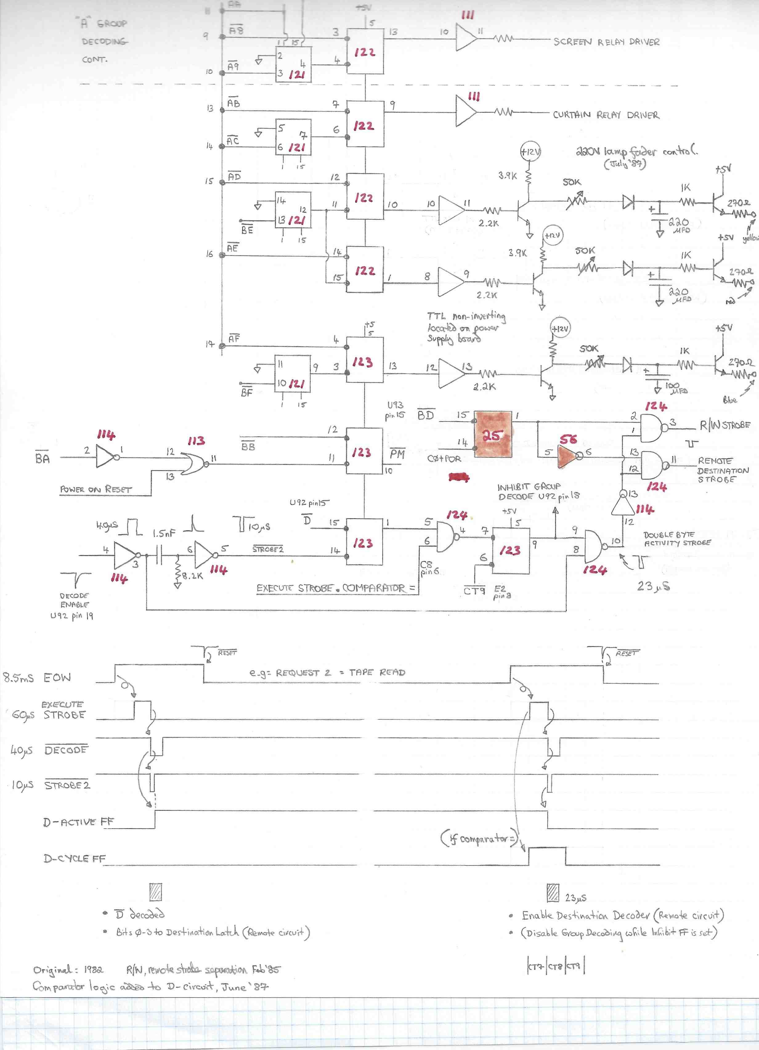
This page is no longer password protected – it contains circuit diagrams, programming detail, and more. Contact us if you would like to know more about these designs in this technically historical context. Thank you for your interest !
Eight-image PDF of P82 central control unit
Here is the P82 handbook, original 1985 format was A5, hand-drawn and written. Click any thumbnail to see the whole book in “slide carousel” format (what else?)
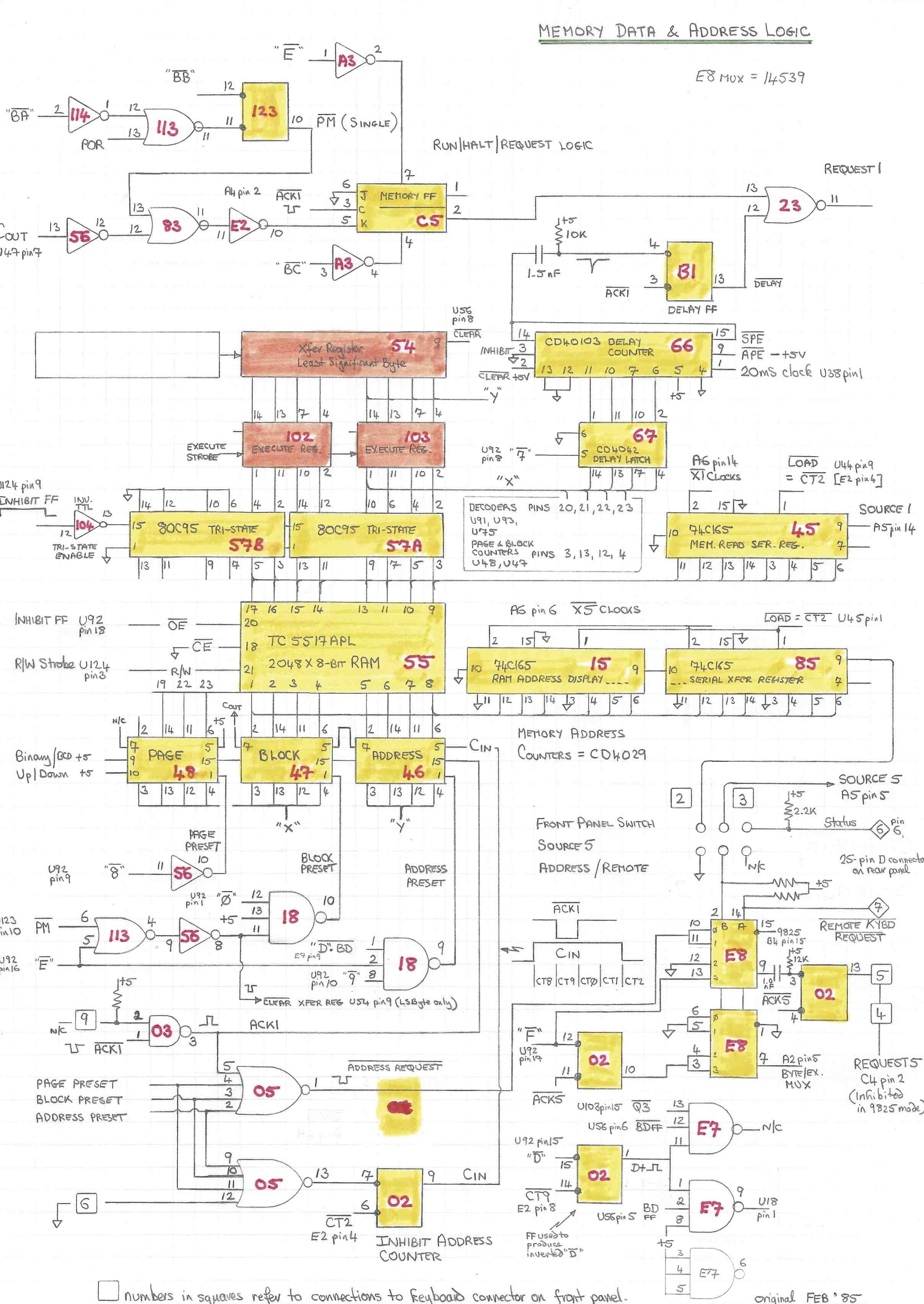
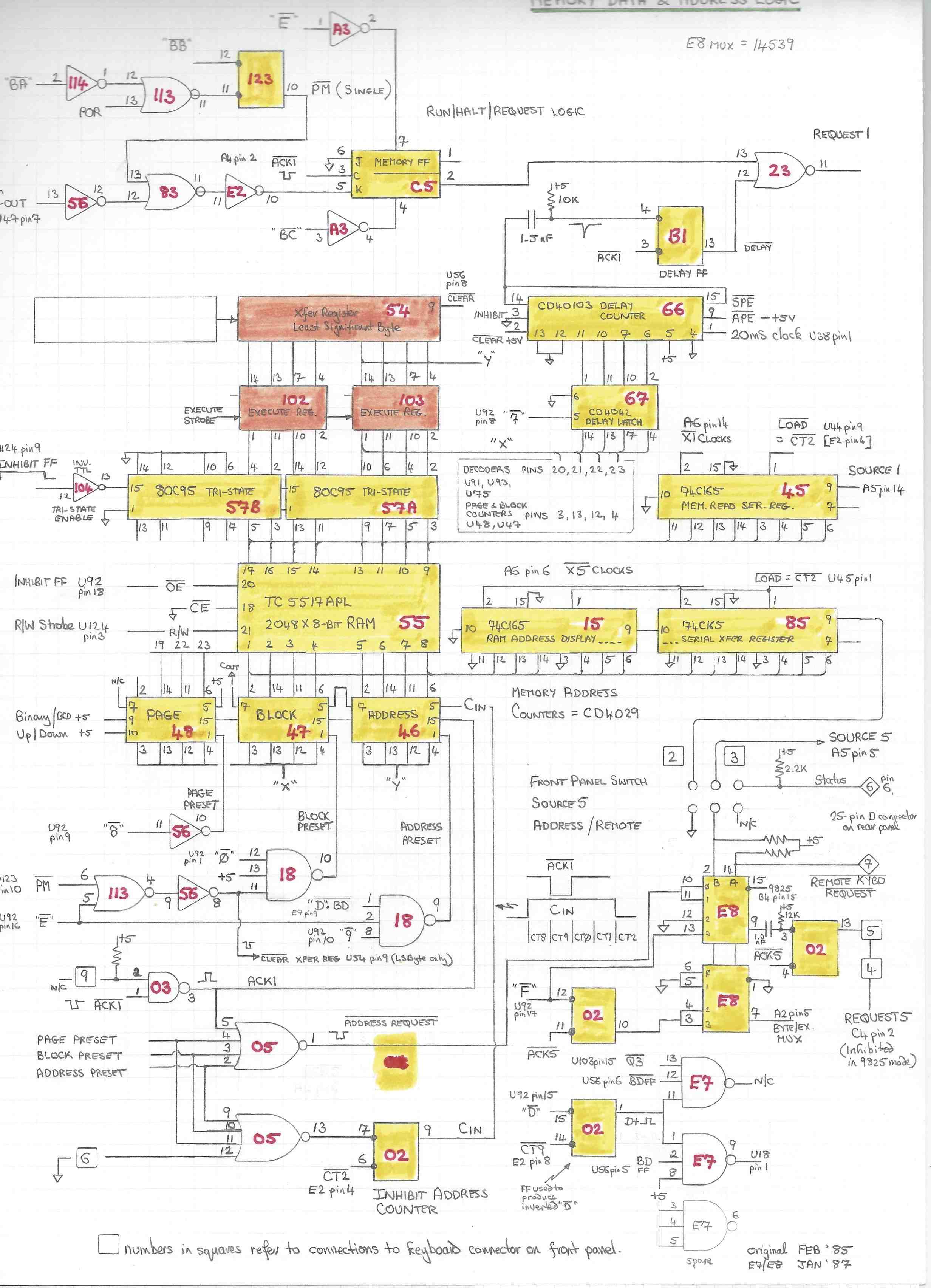
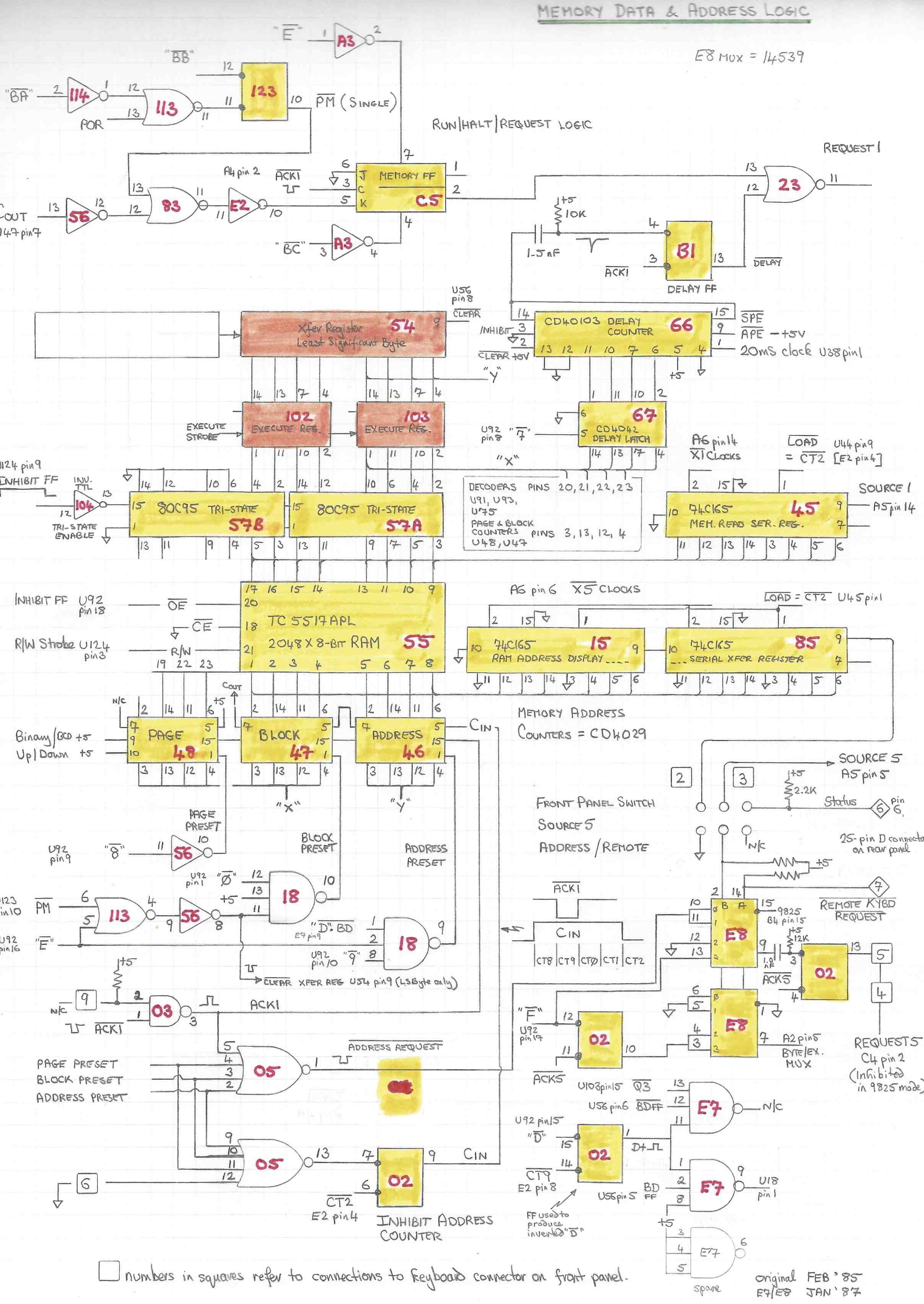
Detailed circuit diagrams and physical layout of components (central control unit) all hand-drawn between 1982 and 1987:
This technical diagram page is now available and forms a part of the “moonland” project which compares the Apollo Guidance Computer, the HP2116 computer and our own design and construction of the “P82” programmable controller. As we revive the P82, current images follow . . .
There will be more disclosure concerning the elements which were controlled by the P82.
See the “moonland” series for up-to-date progress in the re-birth of this 40 year old project.





















































